لي قربة ماء ماليبو/امبالا 20/10

٢٤٠

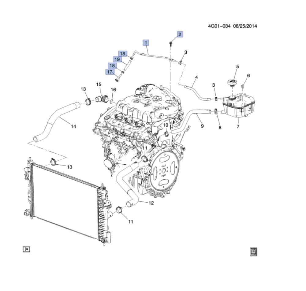
لي سخان قربة ماء – خرطوش تبخير/رجوع القربة

(Reservoir Heater Hose / Coolant Overflow Return Hose)

الموديلات المتوافقة:🚗 Chevrolet:

  • Impala – من 2010 إلى 2020 – 3.6L V6 Flex/Bi-Fuel
  • Malibu – من 2010 إلى 2020 (حسب المحرك)

🚗 Cadillac:

  • XTS – من 2013 إلى 2019 – 3.6L V6
  • SRX – من 2012 إلى 2016 – 3.6L V6

🚗 Buick:

  • LaCrosse – من 2010 إلى 2016 – 3.0L و 3.6L V6

المميزات:

✔️ خرطوش تبخير خلفي عالي الجودة

✔️ يُستخدم لنقل الفائض أو بخار الماء من الرديتر إلى القربة

✔️ مادة مقاومة للحرارة والضغط

✔️ تركيب مباشر بدون تعديل

✔️ متوافق تمامًا مع النظام الأصلي

🔧 المواصفات الفنية:

  • الوظيفة: نقل مياه الرديتر الفائضة إلى قربة التبخير أو العكس
  • النوع: لي تبخير قربة ماء خلفي
  • المادة: مطاط مقاوم للحرارة
  • الجودة: بديل OEM ممتاز

📌 ملاحظات

  • يُنصح بالفحص الدوري لهذا الخرطوش لتجنب التسريبات أو ضعف التبريد
  • تغيير الخرطوش في حال وجود تشققات أو انتفاخ
  • يمكن توفير خرطوش إضافي للأمام حسب الطلب

🚚 معلومات الشحن:

  • 🚛 شحن سريع لجميع مناطق المملكة
  • 📦 تغليف آمن ضد الحرارة والرطوبة
  • 🔢 رقم تتبع بعد تجهيز الطلب
  • ⚠️ تنويه: تنتهي مسؤوليتنا بعد تسليم المنتج لشركة الشحن


٢٤٠

إضافة للسلة